Aller au contenu principal
Mine de Salsigne
Modifier la taille du texte
Accessibilité du site
Mine de Salsigne
MTECT
Ministère de la Transition Ecologique et de la Cohésion des Territoires
MESR
Ministère de l'Enseignement supérieur et de la Recherche
MEAE
Ministère de l'Europe et des Affaires étrangères
BRGM
Service géologique national
SIM
Société de l'Industrie Minérale
SGF
Société Géologique de France
Autres sites web
  • Alliance des Minerais, Minéraux et Métaux (A3M)
  • Minéraux Industriels de France (MI-France)
  • Union Nationale des Industries de Carrières et Matériaux de Construction (UNICE…
  • L'Observatoire français des ressources minérales pour les filières industrielle…
logo état mineralInfo
Le portail français
des ressources minérales
non énergétiques

Rechercher dans MinéralInfo

Recherche avancée spécifique dans les bases de données du BRGM

Vous recherchez dans les bases de données des carrières et matériaux, gîtes et gisements et rapports de BRGM

Recherche avancée dans les bases de données : carrières et matériaux, gîtes et gisements et rapports de BRGM

Banques de données
Documents
ISBN, ISRN, report number
ISBN, ISRN, report number
Besoin d'aide ?
Mine de Salsigne
  • Les ressources minérales en France et leur gestion
    Les ressources minérales en France et leur gestion
    • Potentiel du sous-sol français et exploration
    • Exploitation minière en France
    • Les carrières en France
    • Les activités de première transformation
    • Les ressources minérales des fonds marins
  • Sécurité des approvisionnements pour l'économie
    Sécurité des approvisionnements pour l'économie
    • Le CRM Act, la loi sur les matières premières essentielles
    • Les besoins pour l'économie et la transition énergétique
    • Une forte dépendance aux importations
    • Substances critiques et stratégiques
    • Clefs d'analyse des marchés des métaux
  • Approvisionnement responsable en ressources minérales
    Approvisionnement responsable en ressources minérales
    • Extraction responsable en France
    • L'approvisionnement responsable en matières premières importées
    • Devoir de diligence relatif aux "minerais de conflit"
  • Economie circulaire et recyclage
    Economie circulaire et recyclage
    • Qu'est-ce que l'économie circulaire ?
    • Les ressources secondaires en France
  • Recherche innovation et formation
    Recherche innovation et formation
    • Organismes de formation
    • Projets de R&D sur les ressources minérales
    • Groupe miroir de coordination R&D innovation
  • Les acteurs
    Les acteurs
    • Administrations
    • Conseil général de l’économie
    • Comité pour les métaux stratégiques
    • Comité stratégique de filière
    • Agences publiques
    • Fédérations et comités professionnels
    • Associations savantes
  • Actualités
  • Événements
  • Annuaire des substances
  • CRM Act
  • Politique nationale - projet 2025
  • Ecomine
  • La mine en France
  • Les schémas des carrières
  • Contacts
Recherche avancée spécifique dans les bases de données du BRGM

Vous recherchez dans les bases de données des carrières et matériaux, gîtes et gisements et rapports de BRGM

Recherche avancée dans les bases de données : carrières et matériaux, gîtes et gisements et rapports de BRGM

Banques de données
Documents
ISBN, ISRN, report number
ISBN, ISRN, report number
Besoin d'aide ?
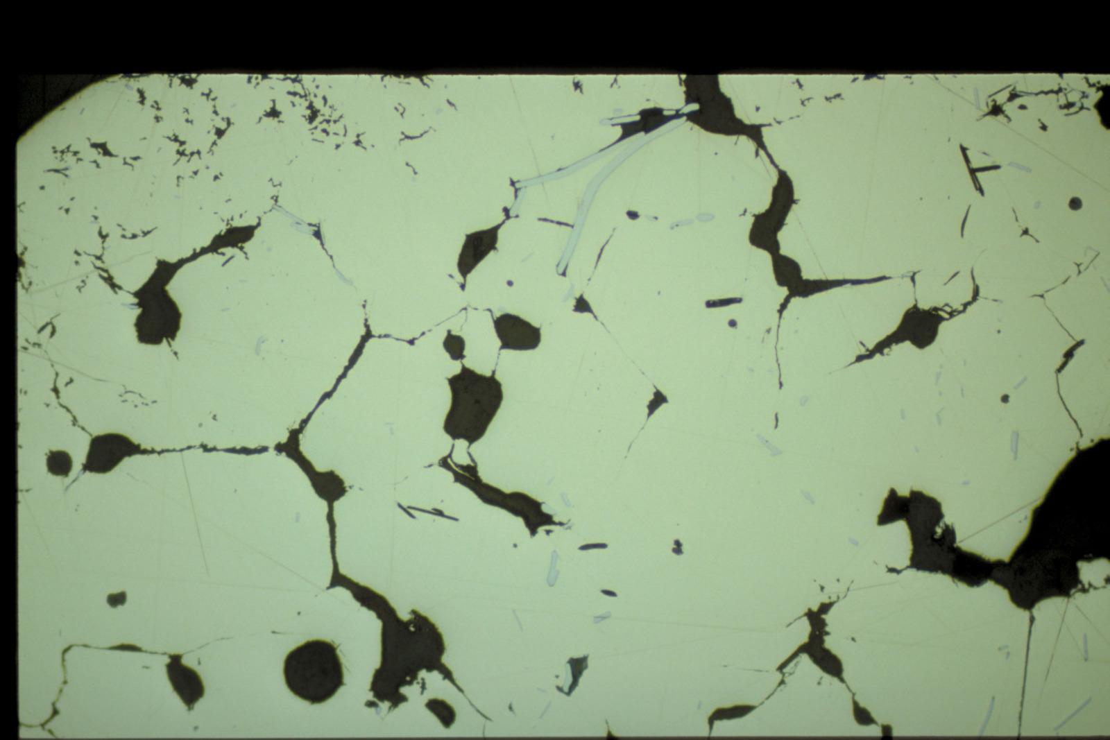
Lame mince de platine © BRGM - Eric Marcoux
Fil d'Ariane
  • Accueil
  • Substances
  • Platine

#Platine

Localisation des trois PER "Douillac", "Fayat" et "Pierrepinet"
Actualité
Octroi de trois permis exclusifs de recherches (PER) dans la Haute-Vienne pour plusieurs métaux
27 oct. 2022
Alternance de couches de chomitite © BRGM
Actualité
ECOMINE - En proie à des difficultés systémiques, l’Afrique du Sud continue malgré tout d’asseoir sa domination sur la production de platinoïdes
30 nov. 2020
Alternance de couches de chomitite à platinoïdes (niveaux noires) et d'anorthosite (niveaux blancs) dans le complexe du Bushveld (Afrique du Sud)
Ecomine
En proie à des difficultés systémiques, l’Afrique du Sud continue malgré tout d’asseoir sa domination sur la production de platinoïdes
30 nov. 2020
Réseaux électriques
Actualité
Le séminaire du Comes du 30 novembre sur la compétition entre secteurs industriels pour l'accès aux matières premières et sur les besoins en métaux pour les réseaux d'infrastructure
8 déc. 2018
Essence et diesel
Ecomine
Impacts des normes antipollution sur la demande mondiale en platinoïdes : cas du platine, du palladium et du rhodium
7 déc. 2018
Cuivre
Ecomine
Mise à jour des courbes de prix de certains métaux à fin juillet 2015
10 août 2015
Mine EGP, Complexe du Bushveld, Afrique du Sud
Ecomine
Le platine moins cher que l'or, malgré des fondamentaux solides
23 juin 2015
Cristal cubique de platine natif de Konder, Russie
Actualité
Le comité des métaux stratégiques se penche sur le platine
5 mars 2015
Platinoïdes : le BRGM publie un nouveau panorama sur les métaux du groupe du platine
Actualité
Platinoïdes : le BRGM publie un nouveau panorama sur les métaux du groupe du platine
19 févr. 2014
  • Visualiseur cartographique
  • Ecomine
Carrière souterraine © BRGM - Silvain Yart
Contacts
  • Accessibilité
  • Mentions légales - Crédits
  • Protection des données personnelles
  • Gestion des cookies
brgm